https://www.watesi.com/huichuan/callback/pub/uc?pt=u c&time={UX_TS}&callback={CALLBACK_URL}&account_id={ACID}& group_id={GID}&ad_id={AID}&c_id={CID}&ua={UA}&os={OS_ID}&i p={IP}&imei_sum={IMEI_SUM}&oaid={OAID}
首页 产品中心 蝶阀系列 气动蝶阀

产品中心

联系方式 Contact Us
电话:4008-200-182 座机:021-69592222 邮箱:sales@watesi.com 总部地址:上海市西郊黄渡工业园区春浓路765号
气动通风蝶型控制阀WR-71640
>
<
气动通风蝶型控制阀WR-71640
气动通风蝶型控制阀WR-71640

WR71600型通风蝶型控制阀采用与阀体一体式的阀座密封圈,密封分为密闭型和非密闭型,设计合理,力矩小,操作方便,启闭迅速,重量轻,价格便宜,加工方便,易于制成大口径,一般适用于冶金、环保等通风管道作流量调节装置。

全国服务热线:4008-200-182

在线咨询 资料下载

与其它阀类相比具有以下优点:

1、 蝶阀是所有阀类中重量最轻的一种,选用蝶阀可降低管道系统的重量及成本。

2、 占用空间小,气动蝶阀是所有阀类中占用空间较小的一种,安装及维护快捷方便。

3、 操作简便,气动蝶阀从开启到关闭只需要旋转1/4转(90度),从而实现快速启闭。由活塞式双作用或单作用(弹簧复位式)气动执行器和蝶形阀组成,属旋转型调节或切断阀类,配用电-气阀门定位器或电磁阀、空气过滤减压器、限位开关(阀位回讯器),可实现对工艺管路中流体介质的调节或切断控制,从而达到对流体介质的流量、压力、温度、液位等参数的自动化控制。

4气动通风蝶阀由于采用合理的结构,不仅可用于高温工况下,而且还能够实现零泄漏。

5、 气动通风蝶型控制阀采用与阀体一体式的阀座密封圈,密封分为密闭型和非密闭型,设计合理、力矩小,操作方便,启闭迅速。

 

标准规格

气动通风蝶型控制阀WR-71600

 

 

 

 

压力等级(公斤)

PN0.1~1.0MPA;ANSI class150;JIS10K

连接方式

法兰式、焊接式

连接标准

HG/T20592-2009;HG/T20615-2009;GB/T9113-2010;

材料

WCB、CF8、CF8M

操作温度

普通型:-20ºC~+200ºC

填料

柔性石墨、聚四氟乙烯V型填料、聚四氟乙烯碳纤维

流量特性

等百分比特性、快开特性

密封材料

一体式密封面

 

 

 

 

气动角行程

WDR/WSC系列气缸式执行机构

 

0.4~0.8MPA

信号输入

输入4~20mA

环境温度

-20~+60℃

气缸形式: 

单作用/双作用

 

性能参数

 

公称通DN

80

100

125

150

200

250

300

350

400

450

500

600

700

800

900

1000

60定Cv值 

160

280

450

610

1040

1700

2480

3300

4550

5550

6800

9800

13300

17300

21900

27000

90定Cv值 

320

560

900

1280

2300

3500

5200

6800

9000

11000

14000

20500

28000

36000

46000

57000

动作范围

0-90°

   允许压差ΔP

公称压力

泄漏

普通密封:2% x CV; 椭圆型密封:CLASS II;端面型密封:CLASS II

 

外形尺寸

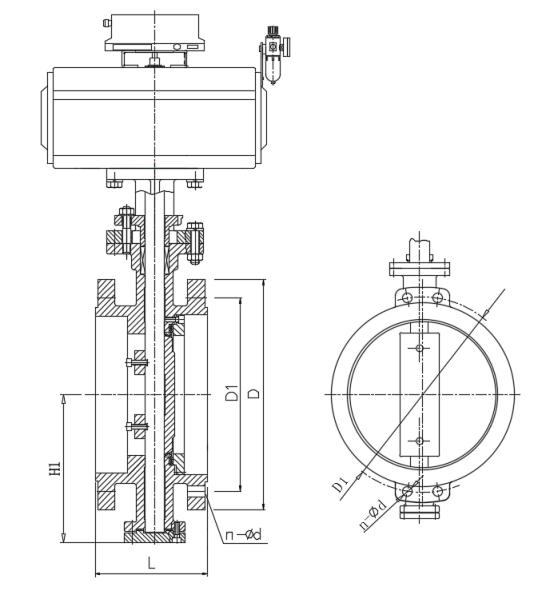
image.png 

法兰式蝶阀主要外型和连接尺寸

通径

DN

外形尺寸

PN0.6  连接尺寸

L

H1

D

K

N-Φd

100

127

105

210

170

4-18

125

140

125

240

200

8-19

150

140

140

265

225

8-19

200

152

180

320

280

8-19

250

165

200

375

335

12-19

300

178

250

440

395

12-23

350

190

270

490

445

12-23

400

216

300

540

495

16-23

450

222

320

595

550

16-23

500

229

360

645

600

20-23

600

267

420

755

705

20-27

700

292

480

860

810

24-27

800

318

540

975

920

24-30

900

330

590

1075

1020

24-30

1000

410

640

1175

1120

28-30

 

注意事项

1本蝶阀可以安装在任意空间位置管路上。

2蝶阀的安装应保证使用,维修或更换方便。

3蝶阀安装前应存放在室内干燥处,安装时阀板开启4-5°。

4蝶阀安装前进行一下工作:

1)仔细核对使用情况是否与本蝶阀性能规范相符。(2)清洁阀内腔的密封面,不允许有污物附着,为清洁前勿启闭阀板。(3)使用前应清除管道内的污杂物。(4)检查驱动装置是否与上法兰连接可靠。

5蝶阀安装后进行管路强度测试的,阀板必须处于开启位置。

6 蝶阀检修装配后,启闭旋转时不得有卡阻现象。

7 蝶阀检修装配后,应该按要求进行密封性能试验。

 

安装维护
1安装前必须仔细核对阀门的标志、合格证是否符合使用要求,安装前阀门内腔应清洁处理。

2蝶阀可安装在设备管道上的任何位置。有传动装置的应直立安装,有利于操作和检查。

3蝶阀安装时要符合介质流动方向。介质压力流向与阀体所示箭头方向一致。

4蝶阀与管道的连接螺栓,安装时应按对角线方向多次拧紧,不得单件一次拧紧,以防受力不匀而造成法兰连接处泄漏。

5 蝶阀安装时,应以蝶板处关闭位置为宜,防止杂物进入阀腔搓伤密封面。用户试压时,切要两端用法兰对夹装好后试压。

6,阀门与管道连接时,要求管道上使用对焊钢法兰或蝶阀专用法兰。如果采用平焊法兰时,必须要求法兰内孔与垫圈内孔一样大,以保证垫圈能把蝶阀端面的内六角螺丝全部封住,避免平面渗漏。

7开启阀门时要顺时针转动手轮,关闭时要逆时针转动手轮,要按开启、关闭指示标记旋转到位。

8,气动蝶阀出厂时已将控制机构的启闭行程调好用户可以在第一次接通源前,要先手动至半开位置再按动开关,检查批示盘方向与阀门开启方向是否一致。

9阀门在使用时,如发现故障,应立即停止使用,查明原因及清除故障。

10阀门的保管:未安装使用的阀门应存放在干燥的室内,堆放整齐,不允许露天存放,防止损坏和锈蚀。保管时间较长的阀门,要定期清洗,吹干涂防锈油。阀门两端应用盲板保护法兰密封面。

 

故障排除
一,填料外漏:

 1.填料超期使用,已老化;2.操作时用力过大;3.填料压套螺栓没有拧紧; 

排除方法:1应及时更换老化、损坏的填料,逐圈安放,接头呈30°45°2.应收正常力均匀操作,不许加套管或用其他办法加长力臂;3.均匀拧紧压住填料用螺栓
二,密封面漏:

1. 阀门安装方向与介质流向不符;2.关闭不到位;3.久闭的阀门在密封面积垢;4.密封面轻微

排除方法:1.注意安装检查;2.重新调整执行机构上的螺钉,关严到位;3.将阀门打开一条缝,让高速体冲掉积垢;4.重新研磨,调整好垫片补偿

三,法兰连接处外 

1. 螺柱拧紧力不匀;2.垫片老化损坏;3.垫片选用材质与工况介质要求不符; 

排除方法:1重新均匀拧紧螺栓;2.更换垫片;3.按工况要求正确选用垫片材料和形式。
四,手柄、手轮损坏 

1. 使用不正确;2.坚固件松脱;3.手柄、手轮与阀杆连接损坏;

排除方法: 1.禁止使用管钳、加长杠杆、撞击工具等;2.随时修配随时修复;3.及时更换。

 

 


QQ客服 服务热线
服务热线
4008-200-182
微信询价
在线客服