与其它阀类相比具有以下优点:
1、 球阀是所有阀类中流阻最小的一种。可以根据不同介质流量进行缩径,其流体阻力也相当小。
2、 球阀开关迅速方便,只要阀杆转动90°就能完成全开或全关动作,从而实现快速启闭。以AC220V、AC380V或DC24V电源电压作动力,接受4-20mA、0-10mA电流模拟信号或1-5VDC电压信号即可控制运转,完成调节或启闭动作。
3、 密封性能好,球阀的阀座密封圈一般采用聚四氟乙烯等弹性材料或弹性金属结构设计,可达到零泄漏。
4、 球阀阀杆密封可靠,球阀启闭时只需通过执行器做旋转运动,阀杆与其它接触部位的摩擦较小,不易被破坏。球阀的启闭与自动化装置配套使用,更容易实现自动化控制快速启闭。
5、 球阀通道平整光滑,不易沉积介质,便于管路清洁。
标准规格
公称通径DN | 15 | 20 | 25 | 32 | 40 | 50 | 65 | 80 | 100 | 125 | 150 | 200 |
流量系数(Kv) | 25.7 | 50 | 93.4 | 170 | 250 | 476 | 880 | 1290 | 2280 | 3800 | 5360 | 9920 |
可调动作范围 | 0-90º | |||||||||||
允许压差△P | ≤公称压力 | |||||||||||
泄漏量 | 金属阀座符合ANSI B16.104 V级;软密封阀座符合ANSI B16.104 VI级 | |||||||||||
环境温度 | -20~60℃ | |||||||||||
基本误差 | ±2.5% | |||||||||||
回差 | ±2.5% | |||||||||||
死区 | 1% | |||||||||||
可调范围 | 100:1 | |||||||||||
配用执行机构 | 电动角行程 | |||||||||||
性能参数
型 号 名 称 | 电动意大利式超薄型球阀WR50070 | |
阀
体
部
分
| 压力等级 | PN1.6~6.4MPA |
连接方式 | 法兰式 | |
连接标准 | HG/T20592-2009;HG/T20615-2009;GB/T9113-2010; | |
材料 | WCB、CF8、CF8M | |
操作温度 | 普通型:-20ºC~+185ºC | |
填料 | 柔性石墨、聚四氟乙烯V型填料 | |
流量特性 | 快开特性 | |
密封材料 | PTFE、PPL、金属硬密封 | |
执
行
机
构
| 电动角行程 | 电子式:3410R/3610系列; WHQ系列电子式电动执行机构 |
电 源 | 220VAC/380VAC | |
信号输入 | 输入4~20mA | |
环境温度 | -20~+60℃ | |
电动形式: | 调节型/开关型 | |
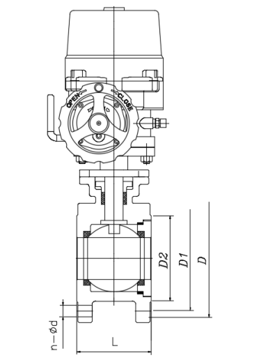
外形尺寸

PN16 法兰式球阀主要外型和连接尺寸
通径 DN | 外形尺寸 | 连接尺寸 | |||
L | D | D1 | D2 | N-Φd | |
15 | 32 | 95 | 65 | 46 | 4-14 |
20 | 38.5 | 105 | 75 | 56 | 4-14 |
25 | 45 | 115 | 85 | 65 | 4-14 |
32 | 55 | 140 | 100 | 76 | 4-18 |
40 | 62 | 150 | 110 | 84 | 4-18 |
50 | 72 | 165 | 125 | 99 | 4-18 |
65 | 95 | 185 | 145 | 118 | 4-18 |
80 | 120 | 200 | 160 | 132 | 8-18 |
100 | 145 | 220 | 180 | 156 | 8-18 |
125 | 200 | 250 | 210 | 184 | 8-18 |
150 | 225 | 285 | 240 | 211 | 8-22 |
200 | 275 | 340 | 295 | 266 | 12-22 |
注意事项
1)必须先查明球阀上、下游管道确已卸除压力后,才能进行拆卸分解操作。
2)装配时法兰上的螺栓必须对称、逐步、均匀地拧紧。
3)清洗剂应与球阀中的橡胶件、塑料件、金属件及工作介质(例如燃气)等均相容。工作介质为燃气时,可用汽油清洗金属零件。非金属零件用纯净水或酒精清洗。
4)分解下来的每单个球阀零件可以用浸洗方式清洗。尚留有未分解下来的非金属件的金属件可采用干净的细洁的浸渍有清洗剂的绸布擦洗。清洗时须去除一切粘附在壁面上的油脂、污垢、积胶、灰尘等。
5)球阀分解及再装配时必须小心防止损伤零件的密封面,特别是非金属零件,取出O型圈时宜使用专用工具。
6)清洗后需待被洗壁面清洗剂挥发后进行装配,但不得长时间搁置,否则会生锈、被灰尘污染。
7)使用润滑脂润滑。润滑脂应与球阀金属材料、橡胶件、塑料件及工作介质均相容。密封件安装槽的表面上涂一薄层润滑脂,在橡胶密封件上涂一薄层润滑脂,阀杆的密封面及摩擦面上涂一薄层润滑脂。
8)装配时应不允许有金属碎屑、纤维、油脂(规定使用的除外)灰尘及其它杂质、异物等污染、粘附或停留在零件表面上或进入内腔。
维护保养
1)每半年检查阀门的密封性,通过排污嘴来检查,如果有内漏,按内漏处理程序进行处理。
2)检修时向阀座注入一定量的新鲜润滑脂,注入的量和频率依照阀门活动频繁程度而定,一般当阀门活动一次后,要适量注入润滑脂,每次注入量大概为密封系统容积的1/8,这样做的目的是最大程度的避免管道内的杂质进入阀座后腔,影响阀座运动,从而导致密封失效,同时保证密封面时刻处于“湿润”状态。
3)对很少活动的阀门,每年最少活动一次,同时注入适量的润滑脂,这样做可以避免球体和阀座胶合,同时也可以避免球体活动时地干磨,保护阀座和球体。
4)入冬前对球阀进行全面维护和保养,重点要排掉阀腔内和执行机构内的水,避免冬天冻结,影响正常功能。
5)定期检查阀径密封,一旦出现外漏,要及时处理。清除锈蚀,对外部进行维护。
故障处理
一,球阀内漏
1早期注入的密封脂变硬。2密封面划伤。3阀座与球体间有杂物。4关不到位。
排除方法:1清洗密封面和阀座后缓慢注入密封脂。2更换阀座。3清洗阀门内腔。4顺时针拧紧手柄或手轮。
二,阀杆外漏
长时间磨损老化。排除方法:缓慢注入密封脂。更换密封填料。
三,排污嘴泄漏
注脂嘴内部单向阀破损。排除方法:更换注脂嘴。
四,两端法兰泄漏
1管法兰压紧力不足。2垫片失效。排除方法:1拧紧法兰螺栓。2更换垫片。